توضیحات
سافت استارتر سانترنو سری ASAB
سافت استارترهای سانترنو (SANTERNO) سری ASAB راه اندازهای پیشرفته دیجیتالی هستند و با ایجاد سیستم حفاظتی مناسب برای رنج گسترده ای از موتورها باعث عملکرد قابل اطمینان در کاربردهای مختلف می شود.
امکانات:
- ولتاژی ورودی: 200 تا 690 ولت AC
- رنج جریان : 23 تا 1600 آمپر
- رنج توان : 7 تا 800 کیلووات
ویژگی ها:
- دارای سیستم بای پس داخلی تا 1000A
- دارای سیستم ترمز
- سیم بندی داخلی مثلث (تشخیص خودکار)
- ورودی های کنترل از راه دور (۳ عدد ثابت ۱ عدد قابل برنامه ریزی)
- خروجی های رله ای (۳ عدد قابل برنامه ریزی)
- خروجی آنالوگ
- با قابلیت ارتباط Net Device ,Modbus ,Profibus
- نمایش پارامتر به صورت چند زبانه
- صفحه نمایش چند حالته با کیفیت گرافیکی عالی
- ثبت تاریخ و زمان وقایع
- دارای شمارنده (تعداد راه اندازی ها، ساعات کاری، مصرف انرژی بر حسب Kwh)
- نمایش پارامتر ها (جریان، ولتاژ، ضریب توان، انرژی بر حسبKwh)
- صفحه نمایش قابل برنامه ریزی
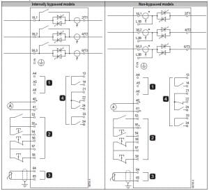
بلوک دیاگرام Wiring سافت استارتر ASAB
حفاظت های قابل تنظیم:
- افزایش زمان راه اندازی
- اضافه بار موتور
- افت جریان
- اضافه جریان ناگهانی
- نامتقارنی جریان
- فرکانس شبکه
- خطای ورودی
- دمای موتور (ترمیستور موتور)
- ولتاژ ورودی
- توالی فاز
Soft Start
سافت استارتر به معنی راه اندازی نرم می باشد که باعث راه اندازی و استپ کردن تدریجی و آرام در موتورها می شود که این امر باعث از بین رفتن تنش های مکانیکی و الکتریکی و در نتیجه باعث افزایش طول عمر قطعات مربوطه به موتور می شود و همچنین برای راه اندازی الکتروموتورهای سه فاز ac طراحی شده اند. در راه اندازی مستقیم الکتروموتورها جریان مصرفی تقریبا بین 4 الی 10 برابر جریان مصرفی نامی است که از نظر اقتصادی و فنی مقرون به صرفه نیست بنابراین اگر به جهت دور موتور و کنترل سرعت نداشته باشیم بهترین روش به کارگیری سافت استارتر در راه اندازی الکتروموتور است.
انواع الکتروموتورهای طراحی شده:
- آنالوگ بدون محافظ
- مدل آنالوگ با محافظ
- مدل دیجیتالی
SANTERNO:
سانترنو شرکتی ایتالیایی در زمینه اتوماسیون همچون اینورتر و درایو فعالیت دارد که این برند در بازار جزء قدرتمندترین برندهای جهان بشمار می رود در سال 1970 فعالیت خود را آغاز کرد که محصولاتش را در ایتالیا و چین به تولید انبوه رسانده است که لازم به ذکر است محصول تولید شده در چین به خاطره وجود نیروی زیاد و ارزان تر با قیمتی مقرون به صرفه تر روانه بازار می شود که این امر اصلا باعث نمیشود که با محصولات تولید شده در ایتالیا از لحاظ فنی تغییری بایکدیگر داشته باشند و همچنین گروه فنی و مهندسی نیک کنترل نماینده رسمی و انحصاری محصولات سانترنو SANTERNO در استان خراسان می باشد این سری از اینورترهای سانترنو عبارتنداز:
انواع مدل های اینورتر و سافت استارتر سانترنو:
- اینورتر سانترنو SINUS PENTA
- اینورتر سانترنو SINUS VEGA
- اینورتر سانترنو SINUS MINI
- سافت استارتر سانترنو ASA
- سافت استارتر سانترنو ASAB





نقد و بررسیها
هیچ دیدگاهی برای این محصول نوشته نشده است.